学校hololens开发项目:汽车发动机检修混合现实(MR)教学
我司与汽车职业学校合作hololens混合现实开发汽车发动机辅助检修项目。
概述
该软件旨在通过学校自身的师资力量和教学场地及现有教学装备,构建现代职业教育体系,加快学校发展现代职业教育,培养适合本市经济发展需要的技术技能人才。通过MR(混合现实)技术为发动机检修专业提供一个虚拟仿真教学课程研究与开发、教学研究与实验实践的平台。
目标
特色性:根据专业学习对口企业岗位的实际生产需要设计软件,来进行MR教学。
实用性:通过虚实结合、强化训练提高教学效率。
创新性:利用最新的MR技术手段,使学生耳目一新,积极主动的掌握知识点和技能。
数据性:利用软件教学,方便采集教学数据,使教学结果有直观的体现,为教学分析和研究打下基础。
方案简析
使用微软的MR头显HoloLens,将软件安装其中后使用。
MR教学场景,合并现实和虚拟世界而产生的新的可视化环境,产生的虚拟对象为全息图像,例如三维模型,窗口、菜单等。
通过头部凝视虚拟对象和手势操作,来实现虚拟交互。例如点击按钮、拖动物体等。
识别现实世界物体,进行相应功能开发,例如对学生实际操作的智能评分系统。
HoloLens直播,将在设备中看到和听到的虚实结合的场景投放到大屏幕,供所有学生观看,方便教学。
将HoloLens教学的操作数据和部分视频通过服务器保存。
后台管理系统,管理和查看师生和教学数据信息等。
远程教学和指导,老师可在电脑上指导戴HoloLens的学生操作。
界面截图:
远程指导
教师利用虚拟仿真画面、实时操作视频进行实时、随机、示范性动作

直播教学
以直播视频形式实施教学展示

混合现实教学
学生可以进行自助式操作,形成虚拟仿真与现实操作高度融合

完美叠加的视频教学画面

实施方案
本方案为制作发动机气门的检修教学,以后制作发动机其它部分的检修可相应地添加到本软件中。
全息显示示例
UI:用于显示菜单、按钮、文本或图片信息;用于用户输入信息。
三维模型和动画:模型用于展示零件或工具外观,动画用于展示零部件拆装和工作原理。
功能说明
学生需登录后才可使用本软件进行教学,登录方式为在软件初始界面输入学号和密码。
登录成功后,选择课次,课次由老师在后台编辑,由老师告诉学生应选择哪个课次,系统默认为最新课次。
进入教学后,学生的学号、姓名、课次和教学名称始终显示在视野固定位置,比如左上角。本方案中教学名称只有“发动机气门的检修”。
选择教学模式进行教学,教学模式分为学习模式、练习模式和评分模式。
学习模式:让学生了解零部件、工具使用和拆装过程。
练习模式:学生进行实物操作,有全息界面提示,学生可以随时查看当前该如何操作。
评分模式:学生进行实物操作,软件对学生操作进行一定程度的识别进行智能评分。
直播HoloLens教学
老师可以通过电脑登录HoloLens管理平台(一个局域网的ip),直播HoloLens中的内容,其他学生可以在与电脑连接的显示设备上观看头戴HoloLens使用者的体验全过程。老师对一个学生指导,其他学生全部可以受益,提高教学效率。除了评分模式和远程指导的教学,都可以进行直播。
远程指导教学
通过使用HoloLens上的skype软件,可以让老师在电脑上一对多远程指导,在skype软件上可以视频、语音、甚至作图指导。老师在电脑上作的图,会在戴HoloLens的学生眼前转化为全息图像。
教学数据采集和保存
数据分为文本数据和视频数据,两者互为补充。
文本数据:记录软件操作日志。比如登录情况、选择的教学模式、教学模式使用情况等。
视频数据:直播HoloLens和远程指导的教学在电脑上可以看到视频,用录像软件录屏。评分模式如果需要录制视频,可以在HoloLens管理平台录制,但是每段录像只能录5分钟,所以用文本数据记录此教学过程。
文本数据,系统会自动记录并提交给服务器保存。
视频数据需要老师手动录制,将录制的视频文件通过后台管理界面上传到服务器保存。
后台管理系统
师生数据和教学数据的管理平台。
教学模式内容
学习模式
零部件和专用工具通过静态模型和UI展示,模型可以移动、旋转和缩放。
拆装过程通过三维动画和UI展示。
以下是展示内容
1.零部件:
进排气凸轮轴

气门挺柱

进排气门

2.专用工具:



3.拆装过程:
凸轮轴的拆卸

气门挺柱的拆卸

气门的拆卸
凸轮轴安装

气门挺柱的安装

气门的安装

练习模式
全息界面提示操作流程,辅助学生实际操作。
练习前进行拆装分步选择,与学习模式的拆装过程类似,分成6步。选择后,全息界面提示当前拆装的步骤提示。
例如进行“凸轮轴的拆卸”,界面上提示<拆下4个凸轮轴轴承盖螺栓。注意: 用一把塑料锤轻轻敲打以松开轴承架。>,可以点击上一步下一步按钮查看提示,点击下一步之后,提示<拆下第一凸轮轴轴承盖>,点击上一步,又回到之前的提示,以此类推。
另外还可随时点击动画按钮,查看动画演示。
评分模式
老师在教学前,先在后台管理系统设置这次教学的内容(具体设置见后台管理系统介绍)。
学生进入评分模式后,系统会提示需要评分检测的内容,是否检测到内容会有标记提示。检测内容分为步骤检测和零件检测。另外,有“维修记录单”和“提交”按钮。“维修记录单”点击后出现记录单通过手势点击完成填写;“提交”点击后显示此次教学的评分。
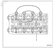
1.步骤检测,系统会用实物识别检测是否完成此步骤,识别顺序按照步骤顺序(以下图片为检测实物)。
1)进、排气凸轮轴拆卸
2)全部气门挺柱的拆卸
3)对指定的一个汽缸的两组进、排气门进行拆卸
4)对指定的一个汽缸的两组进、排气门进行组装
5)全部气门挺柱的组装
6)进、排气凸轮轴组装
2.零件检测,系统会用实物识别一些拆卸过程中的关键零件,以辅助评分。
进排气凸轮轴
气门挺柱
进排气门
3.维修记录单
主要内容按照下图表格

填写表格方式
合格/不合格:点击选择
处理部分:点击选择,选择项有“正常”和其他后台设置好的选项
数字部分:点击填写处,虚拟键盘填写。
检测答案方式
根据后台设置好的正确答案核对。
4.提交
系统将此次评分数据(包括步骤检测、零件检测、维修记录单)上传到后台保存,并显示最终评分。
评分初步设定:
| 项目 | 小项 | 评分 |
| 步骤检测 | 进、排气凸轮轴拆卸 | 8 |
| 全部气门挺柱的拆卸 | 3 | |
| 对指定的一个汽缸的两组进、排气门进行拆卸 | 14 | |
| 对指定的一个汽缸的两组进、排气门进行组装 | 14 | |
| 全部气门挺柱的组装 | 3 | |
| 进、排气凸轮轴组装 | 8 | |
| 零件检测 | 进排气凸轮轴 | 4 |
| 气门挺柱 | 3 | |
| 进排气门 | 4 | |
| 维修记录单 | 进排气门外观检查 | 4 |
| 进排气门长度测量 | 6 | |
| 进排气门头部直径测量 | 6 | |
| 进排气门锥面接触面宽度测量 | 6 | |
| 汽缸盖上进排气门座接触面宽度测量 | 6 | |
| 进排气门对气门座同心度检查 | 5 | |
| 气门与气门座接触面的位置检查 | 6 | |
| 总计 | 100 |
后台管理系统
登录身份
登录身份分为管理员、老师、学生。
管理员:最高权限,可以查看和操作所有数据
老师:可以编辑和查看自己的数据以及查看所教学生的数据
学生:可以查看自己的数据
后台内容
1.管理员
编辑和查看老师信息数据
账号/工号
初始密码固定123456
姓名
所教班级
编辑和查看学生信息数据
账号/学号
初始密码固定111111
姓名
班级
编辑和查看班级信息数据
班级编号
班级名称
编辑和查看教学内容信息数据
教学编号
教学名称
编辑和查看教学数据
可根据班级、教学名称和教学老师筛选
课次:系统根据老师编辑课次内容自动生成
时间:上课的时间
班级
教学老师
学生操作记录:登录、选择的教学模式、评分模式数据(包含各项评分和总分)、老师评语
教学视频:老师上传的此课次的视频
2.老师
修改自己的密码
新建或修改课次内容
时间:上课的时间
教学名称
班级:使用此课次的班级
评分模式内容:选择一个已经设置好的内容,供评分模式教学使用。
新建或修改评分模式内容
教学名称
评分模式数据:以“发动机气门的检修”为例,需设置“维修记录单”中各个数据的标准答案。
上传教学视频文件
选择课次后上传
查看教学数据
只可以查看自己的教学数据,数据内容同第1点管理员的第5小点。
可以给学生操作记录添加或修改评语。
3.学生
1)修改自己的密码
2)按照课次查看评分模式数据及老师评语
技术/项目方法
建模、三维动画:3D Max
UI设计:Photoshop、Flash等
前端程序:Unity3D
后台程序:PHP+MySQL
录屏工具:Apowersoft录屏王或其它同类软件
实物识别:Vuforia AR SDK
- 7*24小时服务
- 高效专业 服务保障
- 咨询:021-55058830
- 售后:18317004801
咨询内容
-

微信公众号
-

客服微信号
-

小红书官方号
-

抖音官方号













